КРАТКАЯ ТЕОРИЯ О ПРИНЦИПЕ ПОСТРОЕНИЯ ЛИННЕЙНЫХ МАССИВОВ
Современные системы звукоусиления основаны на принципе линейного массива, как наиболее эффективном способе получения когерентного согласованного звука в самых разнообразных акустических условиях. Хотя они и не используются повсеместно, но великолепно подходят для акустических пространств большой площади и длины.
Линейный массив это просто набор отдельных звукоизлучателей расположенных определенным образом. С чисто технической стороны, эти отдельные излучатели должны иметь одинаковые размеры, амплитуду и фазу, максимально плотно располагаться друг к другу (расстояние между излучателями должно быть мало по отношению к длине волны излучаемой ими) и число их должно быть очень большим. В идеале, для достижения наилучших технических характеристик, количество источников звука должно приближаться к бесконечности, а расстояние между ними стремиться к нулю. Конечно же, эти условия недостижимы для реальных акустических систем, или каких-либо других практических установок, но в основе своей этот принцип успешно используется в современной акустике.
В идеальном случае, описанном выше, расстояние между динамиками очень мало и длина волны всегда больше расстояния между осями соседних излучателей (громкоговорителей). Это условие полностью соблюдают и при разработке трехполосных систем, поскольку они нуждаются в правильном разделе частот, иначе длина волны становится меньше, чем расстояние от центра одного динамика до центра соседнего.
Как пример рассмотрим конструкцию трехполосного кабинета в составе линейного массива, состоящго из 12 дюймового (305мм) низкочастотного динамика, пары 6,5 дюймовых (165мм) среднечастотных динамиков и высокочастотного излучателя. В этом примере наименьшее возможное расстояние между центром одного и другого низкочастотного динамика равно 12 дюймам (305мм). Это расстояние собственно и ограничивает минимальную длину волны в 12 дюймов. Обычно для расчета частоты раздела используют простое уравнение, где минимальный размер между осями динамиков равен половине длины волны. Когда это условие соблюдено, главный лепесток направленности ярко выражен, а боковые лепестки практически отсутствуют. Согласно этому соотношению между 12-дюймовым вуфером и среднечастотными динамиками должен быть частотный раздел ориентировочно 565Гц. Это легко соблюсти, и поскольку желательно подстраховаться в том, чтобы размерность системы была значительно меньше длины волны воспроизводимых частот, проще выбрать более низкую частоту раздела. Для стандартного 6,5 дюймового динамика ее значение 400Гц.
Частота раздела кроссовера, между 6,5 дюймовыми динамиками и высокочастотными звукоизлучателями, должна также удовлетворять этому условию, когда длина волны больше расстояния между осями излучателей.
К примеру договоримся, что наименьшее возможное расстояние между двумя 6,5 дюймовыми среднечастотными динамиками равно 6,5 дюйма (165мм). Согласно критерию о половине длины волны или лучше, частота раздела кроссовера должна быть 1044Гц или ниже. (Тем более что это легко реализуется как для активной, так и для пассивной электроники, поскольку нижняя граница воспроизведения большинства современных высокочастотных драйверов менее 1500Гц). То есть эта величина легко достижима, и следует использовать частоту раздела кроссовера близкую к этому значению.
Большая разница обнаруживается, если мы попытаемся применить этот метод для самой верхней области звуковоспроизведения акустических систем. Поскольку верхний предел воспроизведения большинства акустических систем 16кГц, получается длина волны 0,85 дюйма (21.5мм). Руководствуясь рассмотренным правилом, соответствия расстояния между осями излучателей и длины звуковой волны ими воспроизводимой, высокочастотное устройство должно быть меньше чем 0,42 дюйма (10.8мм). Это нереально, поскольку классический высокочастотный драйвер работающий в широком диапазоне частот (от 800Гц до 16кГц) имеет значительно большие по сравнению с требуемыми размеры.
Производители всеми возможными способами ищут решение этой проблемы. Наряду с ленточными излучателями и комбинациями ленточных излучателей успешно используются т.н. акустические линзы (волноводы). Акустическая линза (далее высокочастотный волновод) преобразует излучаемую компрессионным драйвером звуковую волну из сферической в согласованный плоский волновой фронт. Использование высокочастотных волноводов – наиболее популярный и широко применяемый метод при воспроизведении очень высоких частот, придающий требуемую геометрию вертикальным линейным источникам звука.
CL35 представляет собой высокочастотный волновод и разработан для того, чтобы придать фронту звуковой волны необходимую геометрическую форму. Базовая модель волновода PH-CL35. Этот волновод имеет высоту 7,48" (190мм) и ширину 0,59" (15мм). Конструкция PH-CL35 позволяет объединять их вертикально, а ширина их мала по сравнению с излучаемыми частотами. Предлагается использовать CL35 совместно с внешними высокочастотными рупорами, имеющими горизонтальный угол раскрытия от 90 до 120 градусов.
РАЗНОВИДНОСТИ КОМПОНЕНТОВ CL35
 |
PH-CL35 имеет входной диаметр 1,4" (35,5мм) и предназначен для использования с высококачественными профессиональными компрессионными драйверами. Рассмотрим две модели высокочастотных компрессионных драйверов с выходом 1,4" (35,5мм), которые позволяют в связке с CL35 получить наилучшие результаты.
CL35-PreNeo
Волновод CL35, совмещенный с неодимовым компрессионным драйвером PreNeo-740N, производства P.Audio, обеспечивает малый общий вес и позволяет получить высокие значения звукового давления. |
| CL35-BMD
CL35 может также совмещаться с компрессионным драйвером BM-D740, производства P.Audio. Высота CL35 позволяет соединять по вертикали одинаковые модули CL35-BMD несмотря на больший диаметр компрессионного драйвера BM-D740. (Примечание: максимальный диаметр компрессионного драйвера составляет 6,7" (170мм)). Драйверы с диаметром магнита больше чем 6,7" (170мм) не позволяют успешно стыковать высокочастотные компоненты системы вертикально и соблюсти при этом условие минимального расстояния между акустическими излучающими элементами. |
 |
НЕОБХОДИМОСТЬ ИСПОЛЬЗОВАНИЯ ГОРИЗОНТАЛЬНЫХ ВЫСОКОЧАСТОТНЫХ РУПОРОВ
Линейные массивы – исключительно подходящий инструмент для получения качественного сформированного звука в разнообразных акустических условиях, как в помещении, так и на открытых площадках. Вертикальное раскрытие системы зависит от общего числа составляющих её элементов по вертикали. Увеличение высоты системы уменьшает угол вертикального раскрытия. Важно помнить, что контролировать вертикальное рассеивание низкочастотных (т.е. длинноволновых колебаний) возможно только тогда, когда общий размер высоты массива в несколько раз больше длинны волны самой низкой частоты, излучаемой системой.
Горизонтальное раскрытие определяется дизайном отдельного элемента массива (кабинета). Показанные на примерах конструкции используют направленные излучатели и высокочастотные волноводы. Приведенные компоновки обладают достаточно большим углом горизонтального раскрытия согласованным во всем диапазоне излучаемых длин волн. При использовании среднечастотных рупоров также важна увязка углов горизонтального раскрытия для среднего и высокочастотного диапазона.
Как CL35-PreNeo, так и CL35-BMD требуют использования горизонтальных рупоров (поставляемых отдельно), определяющих угол раскрытия в горизонтальной плоскости для высокой частоты. Эти рупора могут быть выполнены из фанеры, стеклопластика или отлиты из алюминия. Настоящее руководство предоставляет иллюстрации и базовые рекомендации по использованию этих рупоров.
Конструкция CL35 позволяет реализовать широкие углы горизонтального раскрытия. Подбирая внешний высокочастотный рупор добиваются максимального совпадения углов горизонтального раскрытия высокочастотных и среднечастотных компонентов системы. Выбор угла горизонтального раскрытия системы обычно определяется производителем линейных массивов исходя из конкретных условий заказчика или ориентируясь на некий усредненный оптимальный угол для универсальных систем. Величина угла горизонтального раскрытия CL35 до 120 градусов. Свойства образуемой этими волноводами акустической дифракционной решетки обусловлены шириной устья CL35 по горизонтали и не зависит от используемого компрессионного драйвера. Конечно, CL35 допускает и значительно большие Q (углы горизонтального раскрытия).
На рисунке показан CL35-PreNeo совместно с алюминиевым горизонтальным высокочастотным рупором-волноводом с углом раскрытия 90 градусов. Обращаем внимание, что на этом рисунке верхняя и нижняя части волновода открыты. Такая конфигурация позволяет получить вертикальное сопряжение нескольких CL35-х. Этот волновод может быть также закрыт сверху и снизу при одиночной компоновке.
Как уже было замечено, горизонтальный рупор может быть изготовлен из различных материалов, имеющих достаточную механическую прочность и обладающих адекватным акустическим поглощением.
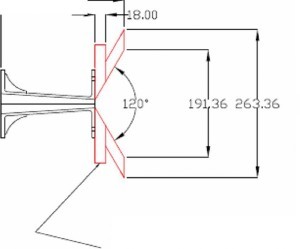
Два примера показаны ниже. Оба примера 18мм фанерные рупоры. Фанерные секции показаны красным. Внимание! Передняя кромка 90 градусного фанерного рупора должна строго соответствовать фронтальной плоскости. Резку кромок 120 градусного рупора должен выполнять опытный мастер. Соответственно все детали рупора должны иметь необходимые углы 120 градусов.
|
Угол горизонтального раскрытия 90 градусов |
Угол горизонтального раскрытия 120 градусов |
|

|

|
|
Материал фанера 18мм |
Материал фанера 18мм |
ПРИМЕРЫ КОНФИГУРАЦИИ КАБИНЕТОВ ДЛЯ ЛИНЕЙПОГО МАССИВА
Многообразие возможных конфигураций акустических систем весьма широко. Наиболее распространены трехполосные системы. Настоящая разработка является 12" (305мм) трехполосной системой, которая состоит из одного 12" низкочастотного динамика, двух 6,5" (165мм) среднечастотных динамиков и двух совмещенных вертикально CL35. Высокочастотные компрессионные драйверы могут быть PreNeo, BMD, или иные высококачественные, профессиональные высокочастотные компрессионные драйверы с выходным диаметром 1,4" (35,5мм). На представленных ниже схемах изображены примеры конструкций, использующие фанерные рупоры. Существует множество других материалов пригодных для изготовления, как рупоров, так и корпусов этих систем.
 |
Пример 12" трехполосной системы.
Как видно из представленного рисунка, плоские панели горизонтального высокочастотного рупора толщиной 0.75" (19мм) являются частью передней стенки корпуса системы. В данном случае панели горизонтального высокочастотного рупора соответствуют высоте двух вертикально состыкованных CL35. Данная 12" трехполосная система прекрасный образец блока для линейного массива среднего формата. Если необходимо большее давление в области низкочастотной составляющей, то добавлением второго 12" динамика к предложенному варианту можно получить компоновку представленную ниже. |
|
Пример 2x12" трехполосной системы.
На рисунке с права плоскости высокочастотного рупора продолжены деталями передней стенки кабинета линейного массива.
С таким же успехом можно создавать линейные массивы малого и среднего формата. Такие системы также могут быть трехполосными, с низкочастотными динамиками диаметром 10" (254мм) или 8" (203мм). Хотя вряд ли стоит использовать низкочастотные динамики размером менее 8", это не сделает корпус более компактным, поскольку его минимальная высота в этом случае ограничена размером CL35. Помимо рассмотренных трехполосных систем существует множество двухполосных решений, которые дают превосходные результаты для малогабаритных систем. |
 |
Варианты представленные ниже также используют деревянные рупоры. Обратите внимание, что в этой конструкции левый и правый край рупора также образованы передней стенкой, однако в данном случае верхняя и нижняя части рупора закрыты, и корпус имеет более традиционную конструкцию. В данной двухполосной конструкции в одном корпусе присутствует только один элемент CL35. Показанный ниже дизайн идеален для высококачественного речевого сопровождения или музыкального аккомпанемента. Использование двух 8" динамиков повышает уровень звукового давления и одновременно улучшает характеристики горизонтальной направленности в области низкой частоты. Помимо этого данная конфигурация локализует возможные частотные искажения 8" низкочастотных динамиков в правой части системы. Двухполосные системы очень малого формата могут также использовать всего один 8"(203мм) низкочастотный динамик и один CL35, как показано ниже. Такие системы идеальны для речевого сопровождения и музыкального материала малой и средней продолжительности.
|
Пример 2x8" двухполосной системы. |
Пример 8" двухполосной системы. |
|
|
|
КОМПОНЕНТЫ ДЛЯ ЛИНЕЙНЫХ МАССИВОВ
Компанией P.Audio разработаны и производятся несколько моделей высокочастотных волноводов.
ВЧ волноводы
-
PH-14525 ( 1")
-
PH-CL35 ( 1,4")
Низкочастотные динамики 12"(305мм)
Внимание: P Audio производит множество низкочастотных динамиков диаметром 12" (305мм). Если линейно-направленная система будет использоваться в широком диапазоне частот (без сабвуфера), могут быть использованы компоненты с маркировкой «LF» всех серий, перечисленных ниже. Если система будет использоваться с сабвуфером, то могут быть использованы оба вида динамиков, как с маркировкой «MB» так и «LF».
-
Flag Ship Series
-
Challenger Series II
-
SN Series II
-
WN Series
-
AM Series
-
E Series II
-
IMF Series II
Среднечастотные/Низкочастотные динамики для компактных сборок
Высокочастотные компрессионные драйверы (выходной диаметр 1,4")
-
PreNeo-740N
-
BM-D740
-
SD-740N
-
WN-D63
Высокочастотные компрессионные драйверы (выходной диаметр 1")
-
PreNeo-450N
-
BM-D450
-
SD-450N
-
WN-D44